APP download #
Features #
- This product is made by WiFi+BLE+2.4G wireless transmitting technology with low consumption and strong ability to resist signal loss.
- Dual WiFi+BLE chip improves user to enter into network conveniently. User can pair device into network via bluetooth connection if the router is offline.
- 5 kinds of output mode support 5 led strip (Single color/CCT/RGB/RGBW/RGB+CCT).
- Support 2.4G remote control.
- Working with “Tuya Smart” app, wireless dimming, remote control, group control, create favourite scene, timmer function, music rhythm, biological rhythm, sleeping and weak up plan, automation and tap to run function.
Parameters #
| Product Name | 5 in 1 LED Controller (WiFi+2.4G) |
| Model No. | iL5W |
| Input | DC12V-24V |
| Output | 6A/Channel |
| Total output | Max 12A |
| Protocol | WiFi+2.4GHz |
| WiFi standard | IEEE 802.11b/g/n 2.4GHz |
| Control distance | 30m (2.4GHz RF) |
| Working temperature | -20~45°C |
| Product Size | 91*37*17.6mm (L*W*H) |
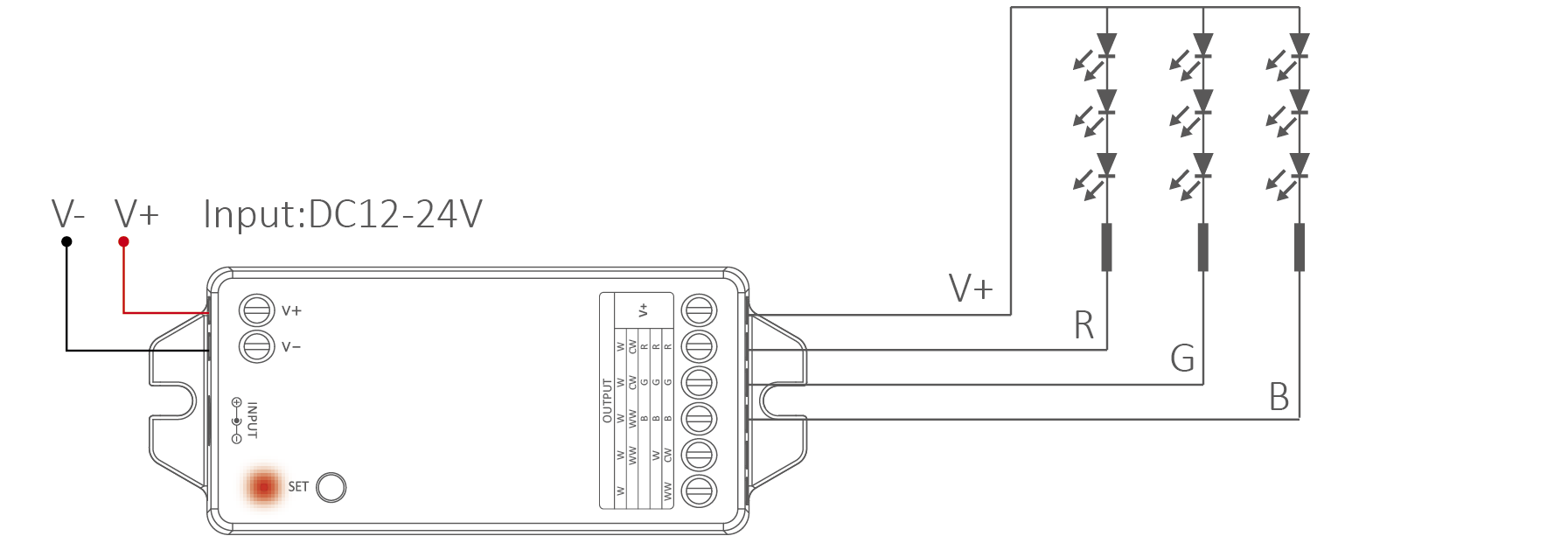
Connection Diagram #
For single color led strip (short press “SET”–white indicator)
For dual white led strip (short press “SET”– yellow indicator)
For RGB led strip (short press “SET”–red indicator)
For RGBW led strip (short press “SET”–green indicator)
For RGB+CCT led strip (short press “SET”–blue indicator)
Output mode settings #
Short press (SET) continuously to select output mode, indicator displays different output modes as following diagram.
| Indicator | Output |
| White | Single color |
| Yellow | Dual white |
| Red | RGB |
| Green | RGBW |
| Blue | RGB+CCT |
APP Details #
Adding device #

1). Connect controller with power adapter

2). Indicator blinks quickly ( 2 times per seconds), long press “SET” 3 seconds if indicator doesn’t blink quickly

3). Connect smart phone with 2.4Ghz WiFi

4). Click “+”

5). select “lighting” and “light source (BLE+wifi)”, finishing the rest steps in app

6). Click device to enter into main page
- Output mode: select correct mode to compatible with led strip.
- PWM frequency: changing different frequency to solve the noise problem from power adapter.
- Mini brightness: the lowest brightness of lights.
- ON/OFF time: the light status changes gradually( factory default time is 0.5s).
High frequency only support device with lower wattage, low frequency support device with higher wattage and have better dimming performance. (Factory default PWM frequency is 4KHz).
Voice control Details #
Click “Me”, select the third-party service and completed setting.
2.4G Remote Control #
Linking code (2 different solution) #
Solution 1
Short press “SET” 1 time, short press “ I ” 3 times within 3 seconds
Solution 2
Power off and power on, short press “ I ” 3 times within 3 seconds
Link is done if the light flashes 3 times slowly
Cleaning Code (2 different solution) #
Solution 1
Short press “SET” 1 time, short press “ I ” 5 times within 3 seconds
Solution 2
Power off and power on, short press “ I ” 5 times within 3 seconds
Cleaning code is done if the light flashes 6 times quickly.
Dynamic Mode List (For remote control only) #
Attention: brightness, saturation and speed are dimmable
| No. | Dynamic mode |
| 1 | Automatical color changing |
| 2 | RGB gradual changing |
| 3 | Color changing randomly |
| 4 | Seven color jumping |
| 5 | Color jumping randomly |
| 6 | Volcano red |
| 7 | Forest green |
| 8 | Ocean blue |
9 | Three color jumping and gradual changing |
Attention #
- Please cut off power before wiring device.
- Please check the voltage of power adapter before connecting.
- Don’t disassemble it if you are not expert.
- Don’t use it in metallic or magnetic area.